Bộ điều khiển nhiệt độ hiển thị số Shinko BCR2S10-00
Bảo hành 12 tháng
Luôn có kỹ sư hỗ trợ 24/24
COMMUNICATION INSTRUCTION MANUAL
1. Bộ điều khiển nhiệt độ Shinko BCR2S10-00 là gì?
Bộ điều khiển nhiệt độ Shinko BCR2S10-00 là dòng digital indicating controller thuộc series BCx2, được thiết kế để đo, hiển thị và điều khiển nhiệt độ trong các hệ thống công nghiệp. Thiết bị có màn hình LED 5 số hiển thị rõ ràng giá trị PV và SV, hỗ trợ nhiều loại tín hiệu đầu vào và nhiều chức năng cài đặt thực tế cho vận hành công nghiệp.
2. Đặc điểm nổi bật của BCR2S10-00
- Kích thước nhỏ gọn 48 × 96 × 68 mm (W×H×D), phù hợp lắp mặt tủ
- Màn hình LED 5 số hiển thị PV và SV rõ ràng
- Hỗ trợ nhiều loại đầu vào nhiệt độ và tín hiệu analog
- Hỗ trợ Auto-tuning khi khởi động
- Tích hợp program control đơn giản với 1 pattern, 9 step
- Có chức năng converter tín hiệu
- Chuẩn bảo vệ IP66 ở mặt trước
- Phù hợp cho nhiều ứng dụng điều khiển nhiệt độ trong công nghiệp
- Nguồn cấp: 24V AC/DC
- Ngõ ra Out1 điều khiển: Non-contact voltage
BCR2S10-00 đáp ứng tốt các nhu cầu điều khiển nhiệt độ từ cơ bản đến trung bình, đặc biệt trong các hệ thống cần bộ điều khiển nhỏ gọn.
3. Thiết kế bộ điều khiển BCR2S10-00
BCR2S10-00 được thiết kế theo dạng lắp mặt tủ điện, với kích thước mặt trước 48 x 96 mm và chiều sâu thân máy khoảng 68 mm. Thiết bị giúp tiết kiệm không gian trong tủ điều khiển, đặc biệt với yêu cầu chiều sâu phần trong tủ chỉ khoảng 60 mm. Mặt trước có cấp bảo vệ IP66, phù hợp với môi trường công nghiệp có bụi và nước bắn nhẹ.

4. Màn hình LED 5 số hiển thị rõ ràng
Một trong những điểm nổi bật của BCR2S10-00 là màn hình LED 5 số hiển thị rõ ràng giá trị quá trình PV và giá trị cài đặt SV. Cách hiển thị này giúp người vận hành dễ theo dõi trạng thái nhiệt độ thực tế, giá trị cài đặt và quá trình điều khiển trong vận hành hàng ngày.

5. Kích thước nhỏ gọn, dễ tích hợp tủ điện
BCR2S10-00 thuộc dòng controller compact, được thiết kế tối ưu cho không gian lắp đặt nhỏ. Kích thước 48 x 96 x 68 mm giúp thiết bị dễ tích hợp vào nhiều loại tủ điều khiển và máy móc công nghiệp, đặc biệt là các hệ thống cần tối ưu chiều sâu lắp đặt.

6. Hỗ trợ nhiều loại tín hiệu đầu vào
BCR2S10-00 là bộ điều khiển đa đầu vào. Thiết bị hỗ trợ nhiều loại tín hiệu nhiệt độ và tín hiệu analog, cho phép sử dụng linh hoạt trong nhiều hệ thống khác nhau. Điều này giúp người dùng dễ chọn cùng một dòng thiết bị cho nhiều ứng dụng mà không cần thay đổi hoàn toàn cấu hình hệ thống.
7. Đầu ra Out1: Non-contact voltage
Nguồn ra 12V DC, dòng tối đa 40mA, tích hợp bảo vệ ngắn mạch, đảm bảo an toàn và ổn định cho các thiết bị điều khiển và cảm biến.
8. Đầu ra Event
BCR2S10-00 có 1 đầu ra cảnh báo
9. Hỗ trợ Auto-tuning khi khởi động
BCR2S10-00 có chức năng AT on startup, tức là hỗ trợ Auto-tuning ngay khi khởi động. Tính năng này giúp thiết bị tự động tối ưu tham số điều khiển trong nhiều trường hợp, giảm thời gian tinh chỉnh thủ công và giúp hệ thống đạt độ ổn định nhanh hơn.

10. Program control đơn giản
Một điểm mạnh của dòng BCx2 là chức năng simplified program control được tích hợp sẵn. Theo catalog, bộ điều khiển hỗ trợ:
- 1 pattern
- 9 step
- Số lần lặp từ 0 đến 10000 lần
Tính năng này phù hợp cho các ứng dụng cần điều khiển nhiệt độ theo từng bước thời gian, như sấy, gia nhiệt theo giai đoạn hoặc quy trình đơn giản có các mức nhiệt độ khác nhau.

11. Chức năng converter tín hiệu
BCR2S10-00 còn có simplified converter function. Tn hiệu đầu vào có thể được chuyển đổi thành tín hiệu đầu ra 4–20 mA ở phiên bản có ngõ ra dòng. Điều này giúp thiết bị có thể dùng như một bộ chuyển đổi tín hiệu trong một số ứng dụng đo lường và điều khiển.
12. Cài đặt bằng máy tính
BCx2 series hỗ trợ cài đặt bằng máy tính thông qua cáp chuyên dụng và phần mềm riêng. Đây là điểm hữu ích khi cần thiết lập nhiều thông số, sao lưu cấu hình hoặc thao tác cài đặt thuận tiện hơn so với việc chỉnh trực tiếp trên thiết bị.


13. Phù hợp cho các ứng dụng điều khiển nhiệt độ trong công nghiệp
Với thiết kế nhỏ gọn và có thêm các chức năng như program control, auto-tuning và converter, BCR2S10-00 phù hợp cho nhiều ứng dụng như:
- Máy gia nhiệt
- Lò điện
- Máy sấy
- Máy đóng gói
- Thiết bị nhiệt công nghiệp
- Các hệ thống điều khiển nhiệt độ trong tủ điện nhỏ gọn
14. Thiết bị phù hợp cho vận hành và bảo trì thuận tiện
BCR2S10-00 được định hướng là dòng controller tiêu chuẩn mới của Shinko với giao diện rõ ràng, phím bấm lớn, hiển thị dễ nhìn và các chức năng thường dùng được gom trong chế độ cài đặt ban đầu. Điều này giúp việc vận hành, thiết lập và bảo trì trở nên thuận tiện hơn trong thực tế.
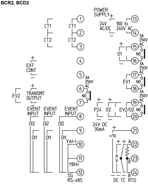
15. Sơ đồ đấu dây của BCR2S10-00

Tóm lại
Shinko BCR2S10-00 là bộ điều khiển nhiệt độ hiển thị số dạng đa năng, phù hợp cho các ứng dụng công nghiệp cần thiết bị nhỏ gọn, dễ lắp đặt và có nhiều tính năng thực tế. Với màn hình LED 5 số hiển thị rõ ràng, nhiều tùy chọn đầu vào, hỗ trợ Auto-tuning, program control đơn giản, converter function, cài đặt bằng máy tính, BCR2S10-00 là giải pháp phù hợp cho nhiều hệ thống điều khiển nhiệt độ từ cơ bản đến trung bình.
=> Tìm hiểu thêm:


