Bộ điều khiển nhiệt độ theo chương trình Shinko PCA1
Bảo hành 12 tháng
Luôn có kỹ sư hỗ trợ 24/24
COMMUNICATION INSTRUCTION MANUAL
1. Bộ điều khiển nhiệt độ theo chương trình Shinko PCA1 là gì?
Bộ điều khiển nhiệt độ theo chương trình Shinko PCA1 là dòng programmable controller dùng để điều khiển nhiệt độ theo nhiều bước cài đặt sẵn trong hệ thống công nghiệp. Thiết bị cho phép vận hành theo chương trình nhiệt gồm các bước tăng nhiệt, giữ nhiệt và chuyển bước theo thời gian hoặc liên kết nhiều chương trình để tạo profile nhiệt dài và ổn định. PCA1 hỗ trợ nhiều loại tín hiệu đầu vào như thermocouple, RTD, dòng điện và điện áp DC, đồng thời tích hợp phần mềm điều khiển, phần mềm giám sát và truyền thông RS-485 với nhiều giao thức, phù hợp sử dụng trong môi trường có bụi và nước bắn nhờ mặt trước đạt chuẩn IP66.
2. Đặc điểm nổi bật của Shinko PCA1
- Kích thước tiêu chuẩn 96 x 96 mm, phù hợp lắp tủ công nghiệp.
- Hỗ trợ tối đa 16 chương trình nhiệt, 16 bước nhiệt cho mỗi chương trình.
- Có thể liên kết chương trình để vận hành đến 256 bước nhiệt.
- Màn hình LCD 11 đoạn dễ đọc, dễ quan sát hơn trong môi trường nhà máy.
- Kích thước hiển thị PV khoảng 24.0 x 11.0 mm.
- Kích thước hiển thị SV/MV/TIME khoảng 14.0 x 7.0 mm.
- Có thể đổi màu hiển thị PV giữa cam, xanh và đỏ theo trạng thái hoặc cảnh báo.
- Có thể kiểm tra lỗi thông qua trạng thái hiển thị trên màn hình.
- Có chức năng cài đặt thời gian tắt đèn nền giúp tiết kiệm năng lượng.
- Hỗ trợ phần mềm điều khiển SWC-PCA101M để giám sát, chỉnh sửa và tải dữ liệu.
- Hỗ trợ phần mềm giám sát SWM-PCA101M để thiết lập dữ liệu, ghi dữ liệu và theo dõi dữ liệu trên máy tính.
- Khi kết nối với máy tính qua cáp truyền thông CMB-001 để thiết lập, thiết bị không cần cấp nguồn riêng.
- Hỗ trợ truyền thông Shinko protocol, Modbus ASCII và Modbus RTU.
- Với Modbus ASCII và Modbus RTU, có thể đọc hoặc ghi tối đa 100 pieces dữ liệu.
- Mặt trước đạt chuẩn chống bụi và chống nước bắn IP66.
PCA1 đáp ứng tốt nhu cầu điều khiển nhiệt độ theo chương trình trong công nghiệp, đặc biệt ở các hệ thống cần nhiều giai đoạn nhiệt liên tiếp, yêu cầu hiển thị rõ, theo dõi dễ, cài đặt bằng phần mềm thuận tiện và có khả năng mở rộng truyền thông khi tích hợp với PLC hoặc HMI.
3. Model

4. Thiết kế bộ điều khiển PCA1
PCA1 được thiết kế theo dạng lắp mặt tủ điện, với kích thước mặt trước chuẩn 96 x 96 mm. Thiết bị phù hợp cho môi trường nhà máy nơi người vận hành cần đọc nhanh giá trị đo, giá trị đặt và trạng thái chương trình nhiệt. Màn hình LCD 11 đoạn giúp các ký tự rõ hơn, dễ đọc hơn so với kiểu hiển thị thông thường, đồng thời vùng hiển thị được chia hợp lý giữa PV và SV/MV/TIME.
| Hạng mục | Thông số PCA1 |
|---|---|
| Kích thước mặt trước | 96 × 96 mm |
| Kiểu lắp đặt | Lắp mặt tủ, flush mount |
| Mặt trước | Màn hình LCD, phím cài đặt phía trước |
| Hiển thị PV | Khoảng 24.0 × 11.0 mm |
| Hiển thị SV/MV/TIME | Khoảng 14.0 × 7.0 mm |
| Màu hiển thị PV | Cam, xanh, đỏ |
| Chống bụi/nước | Mặt trước IP66 |
Các đặc điểm thiết kế này giúp PCA1 phù hợp cho vận hành thực tế trong môi trường công nghiệp, nơi kỹ thuật viên cần vừa quan sát nhanh vừa thao tác cài đặt hoặc theo dõi chương trình nhiệt trực tiếp trên mặt controller.
5. Điều khiển theo chương trình nhiệt với 16 chương trình, 16 bước mỗi chương trình
Điểm mạnh lớn nhất của PCA1 là khả năng điều khiển theo chương trình nhiệt thay vì chỉ điều khiển giữ nhiệt độ cố định. PCA1 hỗ trợ 16 pattern và 16 step cho mỗi pattern. Khi liên kết các chương trình nhiệt lại với nhau, thiết bị có thể điều khiển tới 256 bước nhiệt, phù hợp cho các bài toán nhiệt nhiều giai đoạn và yêu cầu profile nhiệt dài hơn so với các dòng programmable controller cơ bản. Phù hợp cho các ứng dụng ramp/soak, gia nhiệt theo chu trình hoặc các hệ thống cần lặp lại quy trình nhiệt có logic nhiều bước một cách ổn định. Với những hệ thống không chỉ cần giữ một mức nhiệt mà cần thay đổi setpoint theo thời gian, PCA1 có lợi thế rõ rệt so với controller PID thông thường.

6. Màn hình LCD 11 đoạn lớn, dễ quan sát trong vận hành
PCA1 được Shinko giới thiệu là dòng có màn hình LCD 11 đoạn dễ đọc. Đây là điểm rất nổi bật vì kiểu hiển thị 11 đoạn giúp ký tự rõ ràng hơn khi nhìn trực tiếp ngoài tủ điện hoặc trong môi trường nhà máy. Kích thước vùng hiển thị PV khoảng 24.0 x 11.0 mm và vùng hiển thị SV/MV/TIME khoảng 14.0 x 7.0 mm, hỗ trợ người vận hành quan sát nhanh giá trị thực tế và thông số cài đặt.


Thay đổi màu hiển thị PV
- Thay đổi màu PV : Cam, xanh, đỏ,
- khi cảnh báo ON : Xanh --> Đỏ, khi cảnh báo ON : Cam --> Đỏ hoặc thay đổi màu PV do độ lệch giữa PV và SV.
- Các lỗi có thể được kiểm tra thông qua hoạt động hiển thị.

7. Thiết lập chức năng nhanh bằng phần mềm và cáp truyền thông
Một điểm nổi bật khác của PCA1 là khả năng thiết lập và quản lý dữ liệu bằng máy tính thông qua phần mềm chuyên dụng. Shinko cung cấp phần mềm điều khiển SWC-PCA101M để giám sát, chỉnh sửa và tải dữ liệu, đồng thời có phần mềm giám sát SWM-PCA101M để thiết lập dữ liệu, ghi dữ liệu và theo dõi dữ liệu từ máy tính. Điều này giúp kỹ thuật viên thao tác nhanh hơn khi cần cài đặt số lượng lớn thông số hoặc sao lưu cấu hình hệ thống.
8. Hỗ trợ nhiều loại tín hiệu đầu vào
PCA1 hỗ trợ đa dạng tín hiệu đầu vào để phù hợp với nhiều ứng dụng công nghiệp. Thiết bị có thể làm việc với thermocouple, RTD, dòng điện trực tiếp và điện áp DC, cho phép linh hoạt kết nối với nhiều loại cảm biến hoặc tín hiệu quá trình khác nhau. Đây là điểm quan trọng vì nhiều hệ thống nhiệt trong thực tế không chỉ dùng một loại cảm biến duy nhất.

9. Nhiều lựa chọn ngõ ra điều khiển
Shinko PCA1 có các cấu hình ngõ ra điều khiển khá linh hoạt theo model. Tùy phiên bản, người dùng có thể lựa chọn ngõ ra relay, ngõ ra điện áp không tiếp điểm để điều khiển SSR hoặc ngõ ra dòng analog như 4 đến 20 mA DC. Cấu hình này giúp PCA1 phù hợp cả với hệ thống gia nhiệt dùng contactor, SSR hoặc các bài toán điều khiển analog trong công nghiệp. PCA1 còn hỗ trợ các ngõ ra event và các tùy chọn chức năng mở rộng tùy model. Giúp vừa điều khiển nhiệt độ theo chương trình vừa tham gia vào logic báo trạng thái, cảnh báo hoặc phối hợp với các thiết bị khác trong tủ điều khiển.

10. Chương trình nhiệt phù hợp cho các ứng dụng ramp/soak và nhiều giai đoạn nhiệt
Do PCA1 là programmable controller, thiết bị đặc biệt phù hợp cho các bài toán gia nhiệt có nhiều giai đoạn. Mỗi step có thể được cài đặt riêng trong chương trình nhiệt, sau đó liên kết thành một profile nhiệt hoàn chỉnh. Cấu trúc 16 pattern và 16 step mỗi pattern giúp PCA1 xử lý được những quy trình nhiệt dài, nhiều giai đoạn hoặc có yêu cầu lặp lại liên tục trong sản xuất.
11. Nhiều chức năng event và mở rộng
PCA1 không chỉ là bộ điều khiển nhiệt độ theo chương trình đơn thuần mà còn hỗ trợ nhiều chức năng mở rộng trong hệ thống điều khiển công nghiệp. Tùy option, thiết bị có thể hỗ trợ các event output, các chức năng cảnh báo và một số khả năng mở rộng khác tùy cấu hình model. Điều này giúp PCA1 có thể tích hợp linh hoạt vào các tủ điều khiển yêu cầu nhiều tín hiệu trạng thái ngoài phần điều khiển nhiệt chính.
12. Hỗ trợ truyền thông RS-485
PCA1 có khả năng truyền thông serial và hỗ trợ các giao thức phổ biến như Shinko protocol, Modbus ASCII và Modbus RTU. Đây là một nâng cấp đáng giá vì giúp controller dễ tích hợp với PLC, HMI, SCADA hoặc phần mềm giám sát trong nhà máy. Theo thông tin giới thiệu của hãng, với Modbus ASCII và Modbus RTU, thiết bị có thể đọc hoặc ghi tối đa 100 pieces dữ liệu.
13. Phần mềm điều khiển và phần mềm giám sát chuyên dụng
Một điểm rất thực tế của PCA1 là thiết bị không chỉ có phần cứng mạnh mà còn có hệ sinh thái phần mềm hỗ trợ vận hành và bảo trì. Phần mềm điều khiển SWC-PCA101M cho phép giám sát, chỉnh sửa và tải dữ liệu. Phần mềm giám sát SWM-PCA101M cho phép thiết lập dữ liệu, ghi dữ liệu và giám sát dữ liệu qua máy tính. Điều này giúp kỹ thuật viên dễ lưu trữ cấu hình, kiểm tra dữ liệu vận hành và chuẩn hóa việc cài đặt cho nhiều máy giống nhau.

14. Tiết kiệm năng lượng và hỗ trợ kiểm tra lỗi thuận tiện
PCA1 có chức năng cài đặt thời gian đèn nền. Khi không thao tác trong một khoảng thời gian cài sẵn, đèn nền có thể tắt để tiết kiệm năng lượng. Đây là chi tiết nhỏ nhưng hữu ích trong các hệ thống hoạt động liên tục hoặc có số lượng controller lớn, nơi việc tối ưu điện năng và tuổi thọ hiển thị cũng mang ý nghĩa thực tế.
15. Chống bụi và chống nước mặt trước theo chuẩn IP66
Shinko PCA1 đáp ứng tiêu chuẩn IP66 cho mặt trước. Điều này có nghĩa là phần mặt hiển thị của controller có khả năng chống bụi và chống nước bắn khi được lắp đặt đúng theo yêu cầu. Đây là yếu tố quan trọng trong môi trường công nghiệp có bụi, độ ẩm hoặc nước bắn vào mặt tủ điện.
16. Phù hợp cho nhiều ứng dụng điều khiển nhiệt độ trong công nghiệp
Với khả năng điều khiển theo chương trình, hỗ trợ nhiều loại cảm biến, nhiều ngõ ra, có phần mềm chuyên dụng, có truyền thông RS-485 và chuẩn bảo vệ IP66 ở mặt trước, PCA1 phù hợp cho nhiều ứng dụng như:
- Lò nung
- Lò sấy
- Thiết bị xử lý nhiệt
- Máy gia nhiệt
- Máy ép nhiệt
- Tủ điều khiển nhiệt độ công nghiệp
- Hệ thống gia nhiệt nhiều công đoạn
- Các hệ thống cần chạy profile nhiệt lặp lại theo từng bước
PCA1 đặc biệt phù hợp cho các hệ thống cần chạy quy trình nhiệt có logic từng bước, thay vì chỉ giữ một mức nhiệt cố định như controller thông thường.
17. Thiết bị phù hợp cho vận hành và bảo trì thuận tiện
PCA1 có giao diện mặt trước rõ ràng, màn hình lớn, hỗ trợ hiển thị PV, SV, MV và TIME tương đối trực quan. Màu hiển thị PV có thể thay đổi theo trạng thái hoặc cảnh báo, hỗ trợ người vận hành phát hiện nhanh tình trạng bất thường. Bên cạnh đó, việc có phần mềm điều khiển và phần mềm giám sát riêng giúp kỹ thuật viên dễ cài đặt, sao lưu dữ liệu, chỉnh sửa tham số hoặc theo dõi thông tin trên máy tính mà không phải thao tác hoàn toàn bằng phím mặt trước.
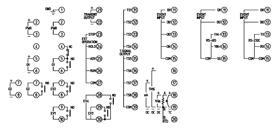
18. Sơ đồ đấu dây của PCA1


Tóm lại
Shinko PCA1 là bộ điều khiển nhiệt độ theo chương trình dạng programmable controller, phù hợp cho các ứng dụng công nghiệp cần chạy nhiều bước nhiệt liên tiếp và lặp lại ổn định. Với khả năng hỗ trợ tối đa 16 chương trình, 16 bước mỗi chương trình và liên kết được đến 256 bước, cùng màn hình LCD 11 đoạn dễ quan sát, đổi màu hiển thị PV, hỗ trợ phần mềm điều khiển SWC-PCA101M, phần mềm giám sát SWM-PCA101M, truyền thông Shinko protocol, Modbus ASCII, Modbus RTU và chuẩn bảo vệ IP66 ở mặt trước, PCA1 là lựa chọn phù hợp cho các hệ thống điều khiển nhiệt độ theo profile nhiệt trong công nghiệp.


