Thiết bị quản lý chất lượng nước Shinko AER-102-PH
Bảo hành 12 tháng
Luôn có kỹ sư hỗ trợ 24/24
1. Thiết bị quản lý chất lượng nước Shinko AER-102-PH là gì?
Thiết bị quản lý chất lượng nước Shinko AER-102-PH là dòng digital indicating pH meter dạng lắp mặt tủ, được thiết kế để đo, hiển thị và giám sát giá trị pH trong các hệ thống xử lý nước và quản lý chất lượng nước. Thiết bị hỗ trợ đo đồng thời pH và nhiệt độ, cho phép bù nhiệt trong quá trình đo để nâng cao độ ổn định và độ chính xác khi vận hành. AER-102-PH phù hợp cho các ứng dụng như nước cấp, nước thải, hệ thống xử lý nước, bể công nghệ và các hệ thống giám sát chất lượng nước trong công nghiệp.
2. Đặc điểm nổi bật của AER-102-PH
- Kích thước tiêu chuẩn 48 × 96 mm, dạng lắp mặt tủ
- Mặt trước đạt chuẩn bảo vệ IP66
- Đo đồng thời pH và nhiệt độ
- Dải đo pH: 0.00 đến 14.00 pH
- Dải đo nhiệt độ: 0.0 đến 100.0°C
- Hỗ trợ hiệu chuẩn 2 điểm
- Có ngõ ra tiếp điểm 2 điểm tiêu chuẩn, có thể mở rộng thêm
- Hỗ trợ proportional control
- Có ngõ ra transmission output 2 tùy chọn
- Có chức năng cleansing output
- Hỗ trợ truyền thông RS-485 tùy chọn
- Nguồn cấp 24V AC/DC theo model chỉ định
- Phù hợp cho nhiều ứng dụng giám sát và quản lý chất lượng nước trong công nghiệp.
AER-102-PH đáp ứng tốt các nhu cầu đo và giám sát pH trong hệ thống nước cần thiết bị nhỏ gọn, lắp tủ, có cảnh báo, có ngõ ra truyền tín hiệu và có thể kết nối truyền thông khi cần.
3. Model

4. Thiết kế thiết bị AER-102-PH
AER-102-PH được thiết kế theo dạng panel mounting type, phù hợp lắp trên cánh tủ điện hoặc mặt tủ điều khiển. Kích thước mặt trước 48 × 96 mm giúp thiết bị gọn, dễ bố trí trong hệ thống điều khiển chất lượng nước. Mặt trước có cấp bảo vệ IP66, phù hợp với môi trường công nghiệp có độ ẩm, bụi hoặc nước bắn nhẹ ở khu vực vận hành.

5. Đo pH và nhiệt độ đồng thời
Một trong những điểm nổi bật của AER-102-PH là khả năng đo đồng thời giá trị pH và nhiệt độ dung dịch. Thiết bị sử dụng tín hiệu từ điện cực pH kết hợp cùng cảm biến nhiệt độ để thực hiện bù nhiệt, giúp kết quả đo pH ổn định hơn trong thực tế vận hành. Đây là điểm rất quan trọng trong các hệ thống xử lý nước, vì nhiệt độ thay đổi sẽ ảnh hưởng trực tiếp đến giá trị pH đo được.
6. Kích thước gọn, dễ tích hợp tủ điện
Với chuẩn kích thước 48 × 96 mm, AER-102-PH dễ tích hợp vào các tủ điều khiển trong ngành nước, trạm xử lý nước, hệ thống bể xử lý hoặc cụm giám sát pH cục bộ. Thiết kế gọn giúp tối ưu không gian lắp đặt mà vẫn đảm bảo đầy đủ chức năng hiển thị, cài đặt và xuất tín hiệu điều khiển.
7. Dải đo pH phù hợp cho quản lý chất lượng nước
AER-102-PH có dải đo 0.00 đến 14.00 pH với độ phân giải 0.01 pH, đáp ứng tốt các ứng dụng kiểm soát và giám sát pH trong nước cấp, nước thải, nước công nghiệp và nhiều quy trình xử lý hóa lý khác. Dải đo này là dải tiêu chuẩn, đủ để theo dõi phần lớn các môi trường nước thực tế trong công nghiệp.
8. Đo nhiệt độ dung dịch
Thiết bị hỗ trợ dải đo nhiệt độ 0.0 đến 100.0°C với độ phân giải 0.1°C. Nhiệt độ không chỉ phục vụ hiển thị mà còn là dữ liệu cần thiết để bù nhiệt cho phép đo pH, từ đó giúp tăng độ tin cậy của kết quả giám sát chất lượng nước.
9. Hỗ trợ nhiều loại cảm biến nhiệt độ

10. Hiệu chuẩn 2 điểm
AER-102-PH hỗ trợ 2-point calibration, cho phép người dùng hiệu chuẩn bằng dung dịch chuẩn pH để cải thiện độ chính xác của phép đo. Thiết bị hỗ trợ các dung dịch chuẩn như pH 2, 4, 7, 9, 10 theo cấu hình cài đặt. Đây là chức năng rất quan trọng với thiết bị đo pH, vì điện cực pH cần được hiệu chuẩn định kỳ để duy trì độ ổn định và độ tin cậy trong quá trình sử dụng.
11. Có chức năng đánh giá điện cực
Trong quá trình hiệu chuẩn tự động, AER-102-PH có khả năng tự đánh giá tình trạng điện cực. Tính năng này hỗ trợ người vận hành nhận biết điện cực còn sử dụng tốt hay đã suy giảm chất lượng, từ đó thuận tiện hơn cho việc bảo trì và thay thế.
12. Ngõ ra tiếp điểm cảnh báo/điều khiển
Thiết bị có 2 điểm contact output tiêu chuẩn, đồng thời có thể mở rộng thêm ngõ ra tùy chọn. Các ngõ ra này có thể dùng cho mục đích cảnh báo hoặc điều khiển theo ngưỡng cài đặt pH trong hệ thống. Đây là tính năng hữu ích khi cần liên động còi, đèn, relay trung gian hoặc các thiết bị chấp hành trong tủ điều khiển.
13. Hỗ trợ proportional control
AER-102-PH hỗ trợ proportional control, với khả năng điều khiển bằng tiếp điểm ở mức tối đa 4 điểm theo cấu hình. Chức năng này giúp thiết bị không chỉ dừng ở vai trò hiển thị, mà còn có thể tham gia vào bài toán điều khiển pH trong một số hệ thống xử lý nước cơ bản hoặc trung bình.
14. Ngõ ra truyền tín hiệu
Theo spec sheet, AER-102-PH có tùy chọn transmission output 2, cho phép xuất tín hiệu analog phục vụ giám sát và truyền dữ liệu về PLC, recorder hoặc hệ thống SCADA. Đây là điểm quan trọng khi hệ thống cần theo dõi giá trị pH liên tục từ xa hoặc ghi nhận dữ liệu vận hành.
15. Chức năng cleansing output
Thiết bị có cleansing output function, phù hợp cho các ứng dụng cần hỗ trợ cơ cấu làm sạch đầu dò hoặc chu trình vệ sinh liên quan đến điện cực/cảm biến trong hệ thống chất lượng nước. Tính năng này đặc biệt hữu ích ở các ứng dụng nước thải hoặc môi trường nước dễ bám bẩn đầu dò.
16. Truyền thông RS-485
AER-102-PH có tùy chọn RS-485 communication, cho phép thực hiện nhiều thao tác cài đặt và hiệu chuẩn qua truyền thông phần mềm. Bản communication manual cho thấy thiết bị hỗ trợ các giao thức như Shinko protocol, Modbus ASCII và Modbus RTU ở các tốc độ truyền thông khác nhau. Điều này giúp thiết bị kết nối thuận tiện với PLC, HMI hoặc hệ thống SCADA trong nhà máy.
17. Phù hợp cho nhiều ứng dụng quản lý chất lượng nước
Theo giới thiệu của hãng, AER-102-PH phù hợp cho nhiều hệ thống như:
- Nước cấp
- Nước thải
- Hệ thống xử lý nước
- Thiết bị nuôi trồng hoặc hệ thống bể công nghệ
- Thiết bị trong tòa nhà và hệ thống kỹ thuật phụ trợ
Thiết bị thích hợp cho các ứng dụng cần giám sát pH trực tiếp tại tủ điều khiển, có cảnh báo, có ngõ ra tín hiệu và có thể mở rộng truyền thông.
18. Hỗ trợ vận hành và bảo trì thuận tiện
AER-102-PH có đầy đủ manual, communication manual và spec sheet chính hãng để phục vụ lắp đặt, cài đặt, vận hành và bảo trì. Việc thiết bị hỗ trợ hiệu chuẩn, tự đánh giá điện cực và truyền thông RS-485 giúp quá trình sử dụng thực tế trong công nghiệp thuận tiện hơn, đặc biệt với các hệ thống cần bảo trì định kỳ và giám sát liên tục.
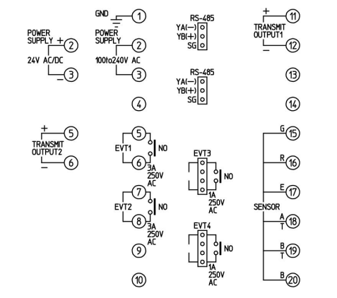
19. Sơ đồ đấu dây của AER-102-PH

Tóm lại
Shinko AER-102-PH là thiết bị quản lý chất lượng nước dạng digital indicating pH meter phù hợp cho các ứng dụng công nghiệp cần đo và giám sát pH trực tiếp tại tủ điện. Với thiết kế nhỏ gọn 48 × 96 mm, mặt trước IP66, khả năng đo đồng thời pH và nhiệt độ, hỗ trợ hiệu chuẩn 2 điểm, ngõ ra tiếp điểm, proportional control, cleansing output và tùy chọn truyền thông RS-485, AER-102-PH là giải pháp phù hợp cho nhiều hệ thống xử lý và giám sát chất lượng nước từ cơ bản đến trung bình.


