Thiết bị quản lý chất lượng nước Shinko AER-102-ECH
Bảo hành 12 tháng
Luôn có kỹ sư hỗ trợ 24/24
1. Thiết bị quản lý chất lượng nước Shinko AER-102-ECH là gì?
Thiết bị quản lý chất lượng nước Shinko Technos AER-102-ECH là dòng digital indicating electrodeless conductivity meter (cảm biến độ dẫn điện không điện cực) dạng lắp mặt tủ, được thiết kế để đo, hiển thị và giám sát độ dẫn điện trong các hệ thống xử lý nước và dung dịch hóa chất.
Thiết bị sử dụng nguyên lý cảm ứng điện từ (inductive conductivity), không tiếp xúc trực tiếp với điện cực kim loại, giúp hạn chế bám bẩn, ăn mòn và nâng cao độ ổn định khi vận hành trong môi trường khắc nghiệt.
2. Đặc điểm nổi bật của AER-102-ECH
- Kích thước tiêu chuẩn 48 × 96 mm, dạng lắp mặt tủ
- Mặt trước đạt chuẩn IP66
- Đo độ dẫn điện không điện cực (electrodeless conductivity)
- Đo đồng thời nhiệt độ để bù nhiệt
- Độ bền cao, chống bám bẩn và ăn mòn tốt
- Phù hợp môi trường hóa chất, nước thải, dung dịch đậm đặc
- Hỗ trợ hiệu chuẩn
- Có 2 ngõ ra relay tiêu chuẩn, có thể mở rộng
- Hỗ trợ proportional control
- Có ngõ ra analog (4–20 mA / 0–20 mA)
- Có chức năng cleansing output
- Hỗ trợ RS-485 (tùy chọn)
- Nguồn cấp: 24V AC/DC hoặc 100–240V AC (tùy model)
AER-102-ECH đặc biệt phù hợp cho các ứng dụng mà cảm biến điện cực thông thường dễ bị bám bẩn hoặc hư hỏng.
3. Model

4. Thiết kế thiết bị AER-102-ECH

5. Đo độ dẫn điện không điện cực và nhiệt độ đồng thời
Thiết bị đo độ dẫn điện bằng phương pháp cảm ứng (inductive), kết hợp đo nhiệt độ để thực hiện bù nhiệt tự động, giúp kết quả đo chính xác và ổn định.
6. Kích thước gọn, dễ tích hợp tủ điện
Chuẩn 48 × 96 mm giúp thiết bị dễ dàng lắp đặt vào tủ điều khiển trong các hệ thống xử lý nước hoặc hóa chất.
7. Ưu điểm của công nghệ ECH
So với cảm biến EC thông thường:
- Không bị ăn mòn điện cực
- Ít bị ảnh hưởng bởi cặn bẩn
- Hoạt động tốt trong dung dịch có độ dẫn cao
- Tuổi thọ cảm biến cao hơn
8. Đo nhiệt độ dung dịch
Hỗ trợ đo nhiệt độ 0.0 đến 100.0°C, phục vụ hiển thị và bù nhiệt.
9. Hỗ trợ cảm biến ECH
Thiết bị tương thích với cảm biến conductivity dạng inductive (electrodeless) của Shinko, phù hợp cho môi trường khắc nghiệt.
10. Hiệu chuẩn
Hỗ trợ hiệu chuẩn bằng dung dịch chuẩn conductivity để đảm bảo độ chính xác.
11. Đánh giá cảm biến
Thiết bị hỗ trợ kiểm tra tình trạng cảm biến trong quá trình vận hành.
12. Ngõ ra tiếp điểm cảnh báo/điều khiển
- 2 relay output tiêu chuẩn
- Dùng cho cảnh báo hoặc điều khiển
13. Hỗ trợ proportional control
Cho phép điều khiển theo tỷ lệ, phù hợp hệ thống điều chỉnh tự động.
14. Ngõ ra truyền tín hiệu
- 4–20 mA / 0–20 mA
- Kết nối PLC / SCADA
15. Chức năng cleansing output
Hỗ trợ làm sạch cảm biến trong môi trường bám bẩn.
16. Truyền thông RS-485
Hỗ trợ các giao thức:
- Modbus RTU
- Modbus ASCII
- Shinko protocol
17. Phù hợp cho nhiều ứng dụng
- Nước thải công nghiệp
- Dung dịch hóa chất
- Môi trường có độ dẫn cao
- Hệ thống xử lý nước
18. Hỗ trợ vận hành và bảo trì thuận tiện
Thiết bị dễ cài đặt, hiệu chuẩn và bảo trì. Hỗ trợ truyền thông giúp giám sát từ xa hiệu quả.
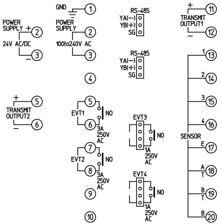
19. Sơ đồ đấu dây

Tóm lại
Shinko Technos AER-102-ECH là thiết bị đo độ dẫn điện không điện cực dạng lắp tủ, kích thước 48 × 96 mm, mặt trước IP66, phù hợp cho môi trường khắc nghiệt, dung dịch hóa chất và hệ thống nước có độ dẫn cao.

