Thiết bị quản lý chất lượng nước Shinko AER-101-TU
Bảo hành 12 tháng
Luôn có kỹ sư hỗ trợ 24/24
1. Thiết bị quản lý chất lượng nước Shinko AER-101-TU là gì?
Thiết bị quản lý chất lượng nước Shinko Technos AER-101-TU là dòng digital indicating turbidity meter dạng lắp mặt tủ, được thiết kế để đo, hiển thị và giám sát độ đục (Turbidity) trong các hệ thống xử lý nước và dung dịch công nghiệp.
Thiết bị sử dụng cảm biến đo độ đục chuyên dụng kết hợp đo nhiệt độ để hỗ trợ bù nhiệt, giúp nâng cao độ ổn định và độ chính xác trong quá trình vận hành.
2. Đặc điểm nổi bật của AER-101-TU
- Kích thước tiêu chuẩn 48 × 96 mm, dạng lắp mặt tủ
- Mặt trước đạt chuẩn IP66
- Đo độ đục (Turbidity)
- Đo nhiệt độ để bù nhiệt
- Hỗ trợ nhiều dải đo tùy theo cảm biến
- Hỗ trợ hiệu chuẩn
- Có 2 ngõ ra relay tiêu chuẩn, có thể mở rộng
- Hỗ trợ proportional control
- Có ngõ ra analog (4–20 mA / 0–20 mA)
- Có chức năng cleansing output
- Hỗ trợ RS-485 (tùy chọn)
- Nguồn cấp: 24V AC/DC hoặc 100–240V AC (tùy model)
AER-101-TU phù hợp cho các hệ thống cần giám sát độ đục liên tục với thiết bị nhỏ gọn, lắp tủ và có khả năng truyền tín hiệu.
3. Model

4. Thiết kế thiết bị AER-101-TU
5. Đo độ đục và nhiệt độ đồng thời
Thiết bị đo giá trị độ đục kết hợp cảm biến nhiệt độ để hỗ trợ bù nhiệt, giúp kết quả đo ổn định hơn trong điều kiện môi trường thay đổi.
6. Kích thước gọn, dễ tích hợp tủ điện
Chuẩn kích thước 48 × 96 mm giúp AER-101-TU dễ dàng tích hợp vào tủ điều khiển, tiết kiệm không gian lắp đặt.
7. Dải đo độ đục linh hoạt
Thiết bị hỗ trợ nhiều dải đo turbidity khác nhau tùy theo cảm biến sử dụng, phù hợp cho nhiều ứng dụng từ nước sạch đến nước thải.
8. Đo nhiệt độ dung dịch
Hỗ trợ đo nhiệt độ 0.0 đến 100.0°C, phục vụ hiển thị và hỗ trợ ổn định phép đo.
9. Hỗ trợ cảm biến độ đục
- Cảm biến turbidity chuyên dụng
- Tích hợp cảm biến nhiệt độ
10. Hiệu chuẩn
Thiết bị hỗ trợ hiệu chuẩn bằng dung dịch chuẩn độ đục, giúp đảm bảo độ chính xác lâu dài.
11. Đánh giá cảm biến
Hỗ trợ kiểm tra tình trạng cảm biến, giúp thuận tiện trong bảo trì.
12. Ngõ ra tiếp điểm cảnh báo/điều khiển
- 2 relay output tiêu chuẩn
- Dùng cho cảnh báo hoặc điều khiển
13. Hỗ trợ proportional control
Cho phép điều khiển theo tỷ lệ (time proportioning), phù hợp với hệ thống điều khiển tự động.
14. Ngõ ra truyền tín hiệu
- 4–20 mA / 0–20 mA
- Kết nối PLC, HMI hoặc SCADA
15. Chức năng cleansing output
Hỗ trợ điều khiển hệ thống làm sạch cảm biến, giúp duy trì độ chính xác trong môi trường nước bẩn.
16. Truyền thông RS-485
Hỗ trợ:
- Modbus RTU
- Modbus ASCII
- Shinko protocol
17. Phù hợp cho nhiều ứng dụng
- Nước cấp
- Nước thải
- Hệ thống xử lý nước
- Giám sát độ đục
18. Hỗ trợ vận hành và bảo trì thuận tiện
Thiết bị dễ cài đặt, hiệu chuẩn và bảo trì. Hỗ trợ truyền thông giúp giám sát từ xa hiệu quả.
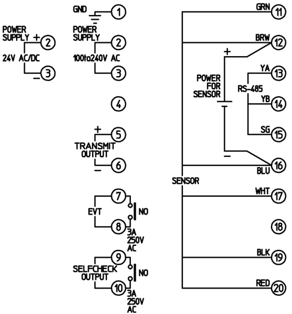
19. Sơ đồ đấu dây

Tóm lại
Shinko Technos AER-101-TU là thiết bị đo độ đục dạng lắp tủ, kích thước 48 × 96 mm, mặt trước IP66, hỗ trợ relay output, analog output và truyền thông RS-485. Đây là giải pháp phù hợp cho các hệ thống xử lý nước cần giám sát độ đục ổn định và chính xác.


