Thiết bị quản lý chất lượng nước Shinko WIL-101-ORP
Bảo hành 12 tháng
Luôn có kỹ sư hỗ trợ 24/24
1. Thiết bị quản lý chất lượng nước Shinko WIL-101-ORP là gì?
Thiết bị quản lý chất lượng nước Shinko Technos WIL-101-ORP là dòng plug-in type digital indicating ORP meter dạng cắm đế, gắn DIN rail, được thiết kế để đo, hiển thị và giám sát giá trị ORP trong các hệ thống xử lý nước và quản lý chất lượng nước. Thiết bị hỗ trợ đo đồng thời ORP và nhiệt độ, cho phép bù nhiệt trong quá trình đo nhằm nâng cao độ ổn định và độ chính xác khi vận hành. WIL-101-ORP phù hợp cho các ứng dụng như nước cấp, nước thải, hệ thống xử lý nước, bể công nghệ và các hệ thống giám sát chất lượng nước trong công nghiệp.
2. Đặc điểm nổi bật của WIL-101-ORP
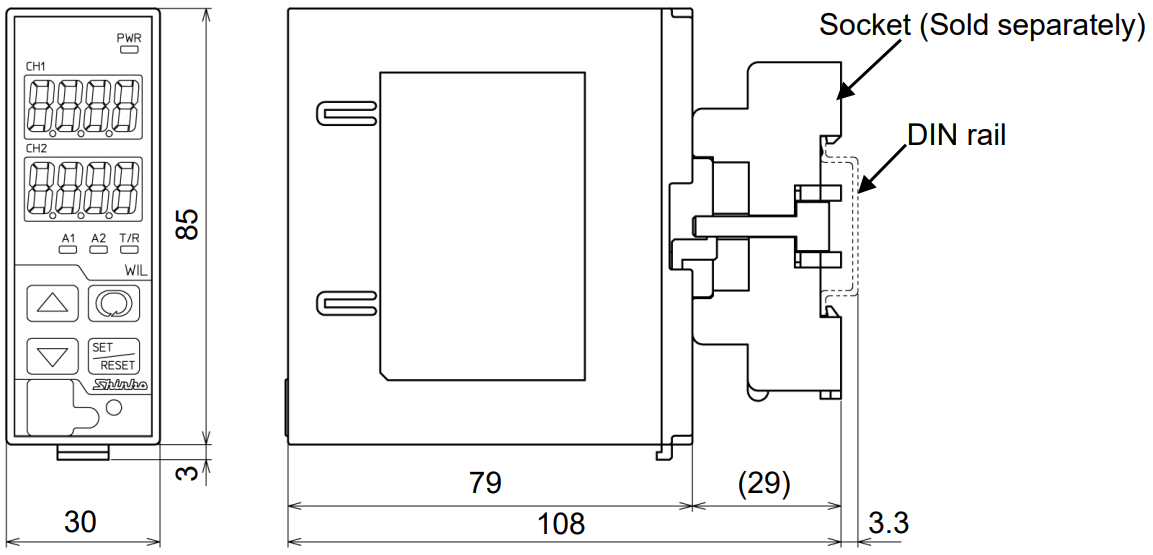
- Kích thước tiêu chuẩn 30 × 88 × 108 mm, dạng cắm đế gắn DIN rail
- Đo đồng thời ORP và nhiệt độ
- Dải đo ORP: -1999 đến +1999 mV
- Dải đo nhiệt độ: 0.0 đến 100.0°C
- Hỗ trợ hiệu chuẩn
- Có nhiều tùy chọn ngõ ra:
- 2 tiếp điểm
- 1 ngõ ra truyền + 1 tiếp điểm
- 2 ngõ ra truyền
- Có chức năng cleansing output
- Hỗ trợ truyền thông RS-485 (cài đặt qua phần mềm)
- Có tùy chọn nguồn 24V AC/DC
WIL-101-ORP đáp ứng tốt các nhu cầu đo và giám sát ORP trong hệ thống nước cần thiết bị nhỏ gọn, gắn ray DIN, có cảnh báo và có thể truyền tín hiệu khi cần.
3. Model

4. Thiết kế thiết bị WIL-101-ORP
WIL-102-ORP được thiết kế theo dạng plug-in type, sử dụng socket để cắm/rút thiết bị và lắp trên DIN rail trong tủ điện.

5. Đo ORP và nhiệt độ đồng thời
Một trong những điểm nổi bật của WIL-102-ORP là khả năng đo đồng thời giá trị pH và nhiệt độ dung dịch. Thiết bị sử dụng tín hiệu từ điện cực ORP kết hợp cùng cảm biến nhiệt độ để thực hiện bù nhiệt, giúp kết quả đo ORP ổn định hơn trong thực tế vận hành. Đây là điểm rất quan trọng trong các hệ thống xử lý nước, vì nhiệt độ thay đổi sẽ ảnh hưởng trực tiếp đến giá trị ORP đo được.
6. Kích thước gọn, dễ tích hợp tủ điện
Với kích thước 30 × 88 × 108 mm, WIL-102-PH phù hợp với các tủ điều khiển yêu cầu bố trí gọn trên ray DIN. Dạng cắm đế giúp tối ưu không gian lắp đặt, đồng thời hỗ trợ thay thế thiết bị nhanh hơn khi cần bảo trì hoặc kiểm tra.

7. Dải đo ORP phù hợp cho quản lý chất lượng nước
Thiết bị hỗ trợ dải đo nhiệt độ 0.0 đến 100.0°C với độ phân giải 0.1°C. Nhiệt độ không chỉ phục vụ hiển thị mà còn là dữ liệu cần thiết để bù nhiệt cho phép đo ORP, từ đó giúp tăng độ tin cậy của kết quả giám sát chất lượng nước.
9. Hỗ trợ nhiều loại cảm biến nhiệt độ
WIL-102-PH hỗ trợ các loại cảm biến nhiệt độ như Pt1000, Pt100 và Cu500/25 tùy cấu hình. Điều này giúp thiết bị linh hoạt hơn khi triển khai trong các hệ thống đã có sẵn phần tử đo nhiệt độ hoặc khi cần đồng bộ với thiết bị hiện trường đang sử dụng.
10. Hiệu chuẩn 2 điểm
Thiết bị hỗ trợ hiệu chuẩn 2 điểm (2-point calibration) nhằm đảm bảo độ chính xác của phép đo ORP trong quá trình vận hành. Người dùng có thể sử dụng dung dịch chuẩn tại hai giá trị khác nhau để hiệu chỉnh lại thang đo, giúp bù sai số của điện cực và hệ thống đo theo thời gian sử dụng. Nhờ phương pháp hiệu chuẩn này, thiết bị duy trì được độ ổn định cao, phản ánh chính xác sự thay đổi của môi trường oxy hóa – khử, đảm bảo kết quả đo tin cậy trong các ứng dụng xử lý và giám sát chất lượng nước.
Thiết bị hỗ trợ kiểm tra tình trạng điện cực, giúp người dùng nhận biết khi cần bảo trì hoặc thay thế.
12. Ngõ ra tiếp điểm cảnh báo/điều khiển
WIL-102-ORP không chỉ dừng ở vai trò hiển thị, mà còn có thể tham gia vào bài toán giám sát và điều khiển thông qua các ngõ ra tiếp điểm hoặc ngõ ra truyền tín hiệu theo cấu hình đặt hàng. Với thiết kế này, thiết bị phù hợp cho các hệ thống xử lý nước cơ bản hoặc trung bình cần tích hợp giám sát pH trong tủ điều khiển. Phần này là suy luận kỹ thuật dựa trên cấu hình output mà hãng công bố.
14. Ngõ ra truyền tín hiệu
Thiết bị có cleansing output function, phù hợp cho các ứng dụng cần hỗ trợ cơ cấu làm sạch đầu dò hoặc chu trình vệ sinh liên quan đến điện cực/cảm biến trong hệ thống chất lượng nước. Tính năng này đặc biệt hữu ích ở các ứng dụng nước thải hoặc môi trường nước dễ bám bẩn đầu dò.
16. Truyền thông RS-485
WIL-102-ORP hỗ trợ cài đặt và hiệu chuẩn qua software communication (RS-485). Trang tải manual của hãng cũng liệt kê riêng bản WIL-102-ORP cập nhật và cho thấy dòng này có tài liệu truyền thông tương ứng. Nhờ đó, thiết bị có thể kết nối thuận tiện với PLC, HMI hoặc hệ thống SCADA trong nhà máy khi cần giám sát và cấu hình từ xa.
17. Phù hợp cho nhiều ứng dụng quản lý chất lượng nước
Theo định vị sản phẩm của hãng, WIL-102-ORP thuộc nhóm Water Quality Management Products và phù hợp cho nhiều hệ thống như:
- Nước cấp
- Nước thải
- Hệ thống xử lý nước
- Thiết bị nuôi trồng hoặc hệ thống bể công nghệ
- Thiết bị trong tòa nhà và hệ thống kỹ thuật phụ trợ
Thiết bị thích hợp cho các ứng dụng cần giám sát pH trong tủ điều khiển, có cảnh báo, có ngõ ra tín hiệu và có thể mở rộng truyền thông.
18. Hỗ trợ vận hành và bảo trì thuận tiện
WIL-102-ORP có manual và spec sheet chính hãng để phục vụ lắp đặt, cài đặt, vận hành và bảo trì. Thiết kế cắm đế giúp thao tác thay thế thuận tiện hơn trong thực tế. Ngoài ra, việc thiết bị hỗ trợ hiệu chuẩn, tự đánh giá điện cực và truyền thông RS-485 cũng giúp quá trình sử dụng trong công nghiệp thuận tiện hơn, đặc biệt với các hệ thống cần bảo trì định kỳ và giám sát liên tục.
19. Sơ đồ đấu dây của WIL-101-ORP

Tóm lại
Shinko Technos WIL-101-ORP là thiết bị đo và giám sát ORP dạng plug-in DIN rail, kích thước nhỏ gọn 30 × 88 × 108 mm, hỗ trợ đo nhiệt độ, nhiều tùy chọn ngõ ra, cleansing output và RS-485. Đây là giải pháp phù hợp cho các hệ thống xử lý nước cần thiết bị gọn, linh hoạt và dễ bảo trì trong tủ điện.


